• Camera
  • Repair
  • gadget
  • moto
  • topic
ゼニットさんの研究レポート  ZENIT3 Labo

原付バイクにのって、広島のツーリングPCや修理など自由に研究してレポートしています

SV400Sバッテリ上がり問題!?その2 フューズが、きれてしまいます。

2021-01-21T21:53:00+09:00 2021-01-21T12:56:42Z

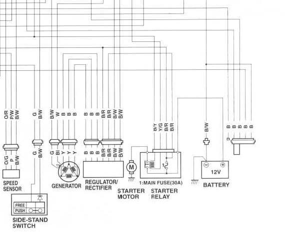
SV400sのバッテリ―交換しても電源が入らない状態を解消すべく取り組みました。 SV650の配線図を見ていて、バッテリーからまずスターターリレーがありそこにフューズがあることが解りました。 30Aのものですメインフューズらしい。 これしかありません。 早速バイクにいきスターター...

SV400Sバッテリ上がり問題!?その1

2021-01-06T22:39:00+09:00 2021-03-30T12:41:16Z

moto SV400S バイク

  先日、バッテリー上がりをするまでは順調に、走っていたのですが、 一度バッテリーが上がってからどうも調子が悪 く、 またバッテリーが上がってしまいました。 私の持っているバッテリーチャージャーは単純なもので、充電機能だけです。 このバッテリーを充電するためには8時間以上かかって...

« 次のページ 前のページ »

自己紹介

自分の写真
ZENIT3
趣味のブログ(レポート)です。主にモトブログ・修理・DIYなど好き勝手にやっています。これまでは通勤でしかバイクに乗らなかったのに、最近お散歩がてらツーリングに出かけております。 他にもpcをいじったり、壊れたものを治すのも好きなので完璧に自己完結型の記録です。
詳細プロフィールを表示

人気記事

  • 縦2眼のカッコいいヘッドライトは、超暗い
  • SV400S の電源入らない問題の続きです。解決編
  • 電子辞書 キーボードの接触不良を治す。
  • エビぞり 液割れスマホの巻 HUAWEI nova lite 3 液晶パネル交換をします。
  • セルモーター脱落の事件簿 (がんばれザックスくん)

ラベル

  • Camera
  • gadget
  • moto
  • PC
  • Repair
  • SACHS
  • SV400S
  • topic
  • YX125DX
  • お買い物
  • ザックス
  • タブレット
  • ツーリング
  • バイク
  • ふるさと納税
  • モトブログ
  • リード90
  • 原付
  • 広島
  • 選び方
  • 日記

アーカイブ

  • 4月 2025 (1)
  • 10月 2023 (1)
  • 9月 2022 (1)
  • 5月 2022 (1)
  • 1月 2022 (1)
  • 12月 2021 (2)
  • 11月 2021 (1)
  • 10月 2021 (1)
  • 8月 2021 (1)
  • 7月 2021 (2)
  • 5月 2021 (1)
  • 4月 2021 (1)
  • 3月 2021 (1)
  • 2月 2021 (1)
  • 1月 2021 (2)
  • 12月 2020 (4)
  • 11月 2020 (4)
  • 10月 2020 (4)
  • 9月 2020 (5)
  • 8月 2020 (6)
  • 7月 2020 (5)
  • 6月 2020 (5)
  • 5月 2020 (5)
  • 4月 2020 (5)
  • 3月 2020 (17)

ラベル

  • Camera
  • gadget
  • moto
  • PC
  • Repair
  • SACHS
  • SV400S
  • topic
  • YX125DX
  • お買い物
  • ザックス
  • タブレット
  • ツーリング
  • バイク
  • ふるさと納税
  • モトブログ
  • リード90
  • 原付
  • 広島
  • 選び方
  • 日記

注目の投稿

リード90ヘッドライトをLEDにしてみたら

ZENIT3LABO. Powered by Blogger.